Industrial Router IR302 Product Quick Guide

Industrial Router IR302 Product Quick Guide


Overview

This manual is for the installation and operation of InRouter302 series routers of InHand Networks Company. InHand makes every effort to provide accurate information in this manual, but InHand does not guarantee that there is no error in the manual. All statements, information and recommendations in this manual do not constitute any expressed or implied warranty.


Please confirm the product model and packaging accessories (power terminal, antenna). Please purchase SIM cards from local network operators.

1. Safety infomation

Before starting operating the device, please review recommendations and precautions to minimize the possibility of accidents. Safety precautions presented are supplementary and subject to the local safety regulations. When various operations are executed on the device, the user must fully follow the safety instructions and recommendations provided with the device.

1.1 General

IR302 router must be used in compliance with any and all applicable national and international laws and with any special restrictions regulating the utilization of the communication module in prescribed applications and environments.

Radio specifications

RF technologies

2G, 3G, 4G, Wi-Fi

Max RF power

33dBm@GSM, 24dBm@WCDMA, 23dBm@LTE, 20dBm@Wi-Fi

1.2 RF exposure

This device meets the official requirements for exposure to radio waves. This device is designed and manufactured not to exceed the emission limits for exposure to radio frequency (RF) energy set by authorized agencies. The device must be used with a minimum separation of 20 cm from a person’s body to ensure compliance with RF exposure guidelines. Failure to observe these instructions could result in your RF exposure exceeding the applicable limits.


External antennas used with IR300 must be installed to provide a distance of at least 20 cm from any people and must not be co-located or operated in conjunction with any other antenna or transmitter.


Any external antenna gain must meet RF exposure and maximum radiated output power limits of the applicable rule section.

1.3 Operating conditions

  1. Operating temperature: -20℃ to +70.
  2. Humidity should be in the range of 5% to 95% (non-condensing).
  3. Only use the device in dry environments.
  4. Out of direct sunlight.
  5. Away from heat source, corrosive substances, salts, and flammable gases.

Attention: Operation outside the permissible range can considerably shorten the service life of the device.

1.4 Faulty and damaged products

  1. Do not attempt to disassemble the device or its accessories.
  2. Only qualified personnel must service or repair the device or its accessories.
  3. If your device or its accessories have been submerged in water punctured or subjected to a severe fall, do not use until they have been checked at an authorized service center.

1.5 Electrical safety

  1. Only use approved accessories.
  2. Do not connect with incompatible products or accessories.

1.6 Product handing

  1. Use of your device is subject to safety measures designed to protect users and their environment.
  2. Do not expose your device or its accessories to open flames, lit tobacco products, liquid, moisture, or high humidity.
  3. Do not drop, throw or try to bend your device or its accessories.
  4. Do not use harsh chemicals, cleaning solvents, or aerosols to clean the device or its accessories.
  5. Do not paint your device or its accessories.
  6. Do not attempt to disassemble your device (exemptions for devices that require disassembly for SIM insertion) or its accessories: it does not contain any user-serviceable parts. For safety reasons, the equipment should be opened only by qualified personnel.
  7. Make sure to use ESD personal protective equipment while the equipment is serviced.
  8. Do not use your device in an enclosed environment where heat dissipation is poor.
  9. Prolonged use in such space may cause excessive heat and raise ambient temperature, which will lead to the automatic shutdown of your device or the disconnection of the mobile network connection for your safety. To use your device again after such a shutdown, cool it in a well-ventilated place before turning it on.
  10. Please check all national laws and local regulations for the disposal of electronic products.
  11. Do not operate the device where ventilation is restricted.
  12. Do not use or install this product near water to avoid fire or shock hazards.
  13. Avoid exposing the equipment to rain or damp areas.
  14. Arrange power and Ethernet cables so that they are not likely to be stepped on or have items placed on them.
  15. Ensure that the voltage and the rated current of the power source match the device’s requirements. Do not connect the device to an inappropriate power source.
  16. During a thunderstorm, no operations should be carried out on the device and cables.
  17. The unit must be powered off where blasting is in progress and explosive atmospheres are present or near medical life support equipment.
  18. Do not leave your device and its accessories within reach of small children or allow them to play with it. They could hurt themselves or others and could accidentally damage the device. Your device contains small parts with sharp edges that may cause an injury choking hazard.
  19. Like any wireless device, this device operates using radio signals, which cannot guarantee connection in all conditions. Therefore, you must never rely solely on any wireless device for emergency communications or otherwise use the device in situations where the interruption of data connectivity could lead to death, personal injury, property damage, data, or other loss.
  20. The device may become warm during regular use.

2. Packing list

Each IR302 product includes common accessories (such as standard accessories list), please check carefully, when you receive our products. Please contact the sales staff of InHand, if there is any missing or damage. 

In addition, according to different site characteristics, InHand can provide customers with optional accessories. For details, please refer to the list of optional accessories.

Standard Accessories

Accessories

Quantity

Description

IR 302

1

Industrial router

Hanging ear

2

For router mounting

Power adapter

1

12V DC power adapter

Ethernet cable

1

1.5m ethernet cable

Cellular Antenna

1/2

Suction cup antenna (2m cable): 1pc (FQ58/LQ28 series), 2pcs (other series)

Wi-Fi Antenna

1

Suction cup antenna(2m cable)

Optional accessories

Accessories

Quantity

Description

Din rail

1

For router mounting

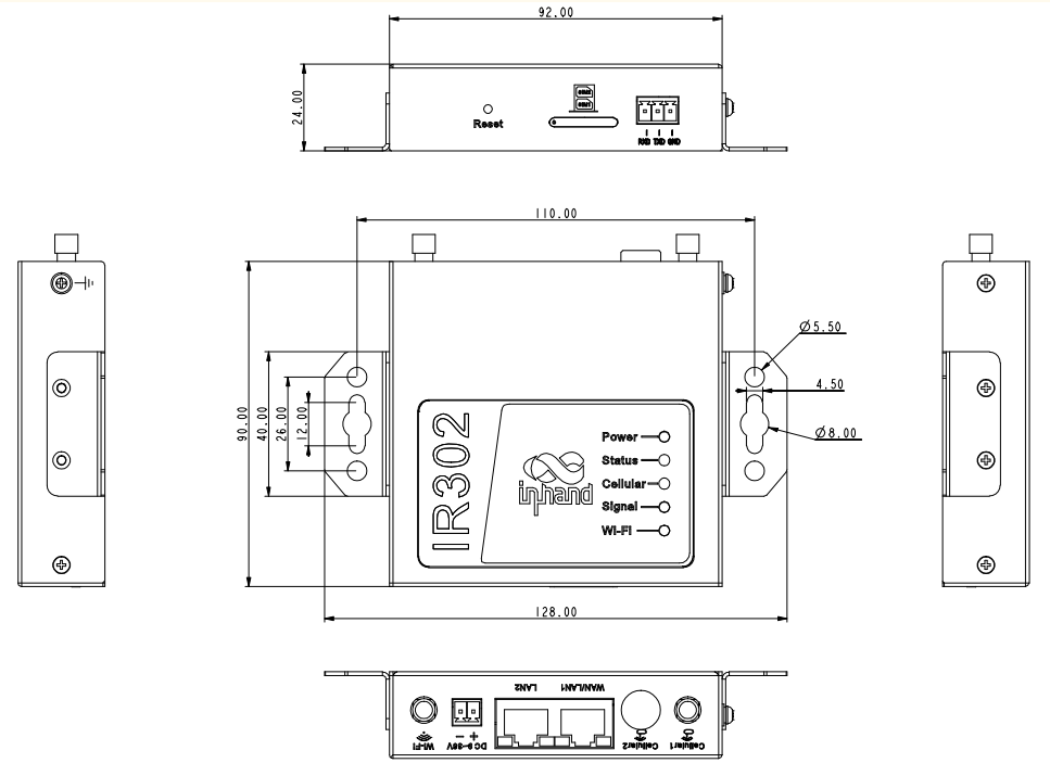
3. Panel Introduction and Structural Size

3.1 Panel Introduction


Fig. 3-1 Equipment Panel

3.2 Structural Size


Fig. 3-2 Equipment Structure

4. Installation of Wireless Routers

Precautions for installation:

  1. Power requirements :12V DC (9~36V DC), please pay attention to the power voltage level; rated current is 0.2~0.22 A.
  2. Environmental requirements: working temperature in the range of -20℃~70℃, storage temperature in the range of -40℃~85℃, relative humidity in the range of 5% to 95% (non-condensing), equipment surface may be high temperature, installation needs to consider the surrounding environment, should be installed in the restricted area.
  3. Avoid direct sunlight, away from heat sources or areas with strong electromagnetic interference.
  4. Routers support wall hanging & Slippery course installation.
  5. Check for cables and connectors required for installation.

4.1 DIN-Rail Installation and Disassembly

4.1.1 DIN-Rail Installation

The steps are as follows:

Step 1: Select the installation location of the device and make sure there is enough space.

Step 2: Tilt the equipment to the right 45°, so that the upper part of the DIN-rail seat is stuck on the DIN-rail, holding the lower end of the equipment, up slightly to rotate the equipment, the DIN-rail seat can be stuck on the DIN-rail. Verify that the equipment is fixed on DIN-ail.

Fig. 4-1-1 Slippery Course Installation 


4.1.2 DIN-Rail Disassembly

The steps are as follows:

Step 1: Hold the bottom end of the equipment with one hand and the top end of the slippery course side with the other hand, push lower end of the device to leave the DIN-rail.

Step 2: Turn the equipment clockwise and lift the equipment, removed the equipment from the DIN rail.

4.2 Wall Hanging Installation and Disassembly

4.2.1 Wall Hanging Installation

The steps are as follows:

Step 1: Fix the hanging ear to both sides of the device with screws

Step 2: Fix the hanging ear to the wall with screws.

Fig. 4-2-1 Wall Hanging Installation

4.2.2 Wall Hanging Disassembly

Use one hand to hold the device and the other hand to remove the screws with screwdriver, remove device from the fixed position.

4.3 SIM Card Installation

IR302 support dual SIM card, hold down SIM pop-up button will pop up the card holder, load the SIM card. 

Fig. 4-3 SIM Card Installation

4.4 Antenna Installation

Rotate the metal interface clockwise until the movable part cannot be rotated, do not hold the black glue stick to twist the antenna.

Fig. 4-4-1 Glue Stick Antenna Installation


Fig. 4-4-2 Chuck Antenna Installation


IR302 support dual antennas, ANT antenna and AUX antenna. The ANT antenna is the antenna which receives and transmits data, AUX antenna can only enhance the antenna signal degree and cannot receive and sent data, so it can’t be used alone. Generally, only use ANT antenna.

4.5 Power Installation


The steps are as follows:

Step 1: Remove power terminal from router;

Step 2: Unscrew the locking screw on the power terminal;

Step 3: Insert the power cable into the terminal and lock the screws.


Fig. 4-5 Power Supply Installation

4.6 Ground Installation

The steps are as follows:

Step 1: Unscrew the ground nut;

Step 2: Put the grounding ring of the cabinet ground wire into the ground stud;

Step 3: Tighten the ground nut.

Attention: in order to improve the anti-jamming ability of the router, the router must be grounded when it is used, and the ground wire is connected to the grounding stud of the router according to the actual use environment.

5. Quick access to Internet

The device supports three ways of accessing the Internet: Wired, Cellular Dial-Up, Wi-Fi

note: when the device does not use Cellular Dial-up access, the "dial-up interface" must be disabled, otherwise the device cycle dial-up to the maximum number, it will lead to device restart, network business interruption.

         
Fig. 5 Disable Cellular Dial-Up        


5.1 Wired to Internet

Step 1: Plug in the power cord and network cable according to the diagram, connect WAN port to the Internet, connect LAN2 port to PC.

Fig. 5-1 Ethernet Connection


Step 2: Set the PC in the same network segment as the IP address of gateway device.

Method 1: DHCP automatically get the address (Recommended).

Method 2: Use fixed IP address, set the PC and gateway in the same address segment(DHCP Server for LAN2 Port is default enabled).

                                                                                                                                                                                                        Fig. 5-1-2 Dynamic acquisition/manual Configuration 


PC only needs to configure the IP address to any value in: “192.168.2.2.2~192.168.2.254”

The gateway is set to: “192.168.2.1”, the subnet mask is: “255.255.255.0”.

The DNS is configured to “operator DNS server address”.

Step 3: Input the device default address 192.168.2.1 in the browser, enter the device Web page management (If the page indicates that the page is not secure, open hidden or advanced, select continue to go)

                                                                                                                                                                                                  Fig. 5-1-3 Login WEB Page Management 

Step 4: Configuration WAN port, click on the navigation bar "Network >>WAN/LAN Switch",select WAN mode to configure IP address of Wan port, so that the device can access to the Internet.. (Make sure the interface is in WAN mode, initial default LAN mode)


                                                                                                                                                                                                                        Fig. 5-1-4 WAN Port Setup


Step 5: Three ways to assign address, dynamic DHCP( recommended), static address, ADSL dial (click application after configuration is completed)


Fig. 5-1-4-a Dynamic Ip Configure of WAN 


 Fig. 5-1-4-b Static Ip Configuration of WAN


Fig. 5-1-4-c ADSL Dial-up of WAN


Step 6: Use the PING tool to verify your network connection.

                                                                                                                                                                                                                 Fig. 5-1-5 Ping Result Diagram

5.2 SIM Card Dial-Up

Step 1: Insert the SIM card into the slot 1 and Install 3G/4G LTE antenna to the ANT antenna connector, then connect the network cable and power cable, at last, power the device.


Attention: to replaced or plugged SIM Card, you must power off and restart to avoid data loss or equipment damage.

Step 2: Open the browser, login device WEB interface. (refer to 4.1 Wired to Internet >> Step1, Step2)

Step 3: Click on the navigation bar "network >>Cellular" set dial-up access parameters, the device initial default on dial-up function, wait a few minutes to access the Internet.(if not dial-up, you can restart Cellular Service).

                                                                                                                                                                                                      Fig. 5-2-1 SIM Card Dial-Up

Step 4: The device supports dual card mode, when the SIM card insert card slot 2, need to enable dual SIM card function in advanced settings, private network dial parameters can be set in the dial parameter set, new click on the application, and then select at the cellular network operator.

                                                                                                                                                                                              Fig. 5-2-2 Dialing Parameters

Step 5: Click on the navigation bar "status >> network connection" to view the network status, showing the connected and assigned IP address and other status, indicating that the SIM card has successfully accessed the Internet.

Fig. 5-2-3 Dial-Up


5.3 Wi-Fi to Internet

Step 1: Wi-Fi the antenna to connect the WLAN antenna column, the network wire to the PC and insert the power supply. (Please refer to "4.1 Wired to Internet>> Step 1, Step 2" for login WEB interface)

Step 2: Set Wi-Fi two working modes: APSTA.

Mode 1: In AP mode (initial default mode), the device acts as a wireless access point and emits the wireless signal, so that terminal devices can access the Internet through the connection to the AP. Ensure that the device has been connected to the Internet through the above wired, cellular dialing mode. You can set the SSID name and encryption authentication, and choose the terminal connection password according to your needs.

Fig. 5-3-1 SSID of AP


Mode 2: STA mode means that station, device does not have the function of Internet access, it needs to connect to the AP device to provide bridges for the terminal equipment that cannot connect to the AP, such as the PC device.

Step 3Click on the navigation bar "Network >>WLAN Mode Switch" to switch the working mode to the STA, then apply and restart the device as prompted.

Fig. 5-3-2- WLAN Mode Switch


Fig. 5-3-2- Reboot Device



Step 4: Click on the navigation bar "Network >>WLAN Client ", click on the scan to select the target SSID, set encryption and password.

Fig. 5-3-4 Selected SSID



Step 5: Click on the navigation bar "Network >>WAN (STA)", set WAN port IP parameter.

Three ways: dynamic address (recommended), static IPADSL dial.

Fig. 5-3-5-a Dynamic Acquisition WAN (STA) Address


Fig. 5-3-5- b Static IP Configuration of WAN (STA)


Fig. 5-3-5- c ADSL Dial Configuration of WAN (STA)

Step 6: Click on the navigation bar "Status >> Network Connection" to see the connection status, if connected and get the dynamic DHCP address, it means that the device is online.


Fig. 5-4-6 Schematic diagram of wireless networking results



6. DM Cloud Management Platform

6.1 Environmental Conditions

Make sure the device has been successfully accessed Internet, click on the "Service >> Device remote management platform" of the navigation menu to set up the access of DM Cloud Platform.

(Follow-up version supports user experience plan, which can automatically access Inhand Cloud Platform and enjoy efficient and convenient service)

Server address: the address of the Device Manager. The address of the Device Manager developed by InHand is as follows:

Device Manager:  iot.inhandnetworks.com

InConnect:  ics.inhandnetworks.com


Fig. 6-1 Remote Platform Configuration


6.2 Platform Account Creation

Jump to the registration/login page through the link below for user registration. 

Link: https://iot.inhandnetworks.com.

Fig. 6-2 Account Registration/Login


6.3 Add Device to Platform

Login to DM platform address https://iot.inhandnetworks.com,click on "Gateway >> Create"  menu to add device.

Name the device and fill in the serial number, the device can be added to the cloud platform.


Fig. 6-3-1 Add Device to Platform

View Serial Number Method

Click on the navigation bar "status" to view the device sequence and other basic information, or on the back of the device to view the serial number.

Fig. 6-3-2 Serial Number Query



7. Quick-Use Guidance

7.1 Restore Factory Setting

7.1.1 Web Setting

Login to the WEB page, click on the "System>> Configuration Management" menu in the navigation tree to enter the "configuration management" interface. Click the "restore factory settings" button to determine the recovery of the factory after the configuration, restart the system, restore factory success.

Fig. 7-1-1 Restore Factory Settings


7.1.2 Hardware Restored

To restore the device to default settings using the reset button, please follow these steps:

1: Power on the device and immediately press and hold the RESET botton until the Status LED turns solid.

2: Release the RESET botton and wait for the Status LED to turn off. 

3: Press and hold the RESET button again until the Status LED starts flashing, then release the botton. The device will now be restored to its default settings and will restart normally.

7.2 Import/Export Configuration

Login to the WEB page, click on the "System>> Configuration Management" menu in the navigation tree to enter the "configuration management" interface.

Fig. 7-2 Restore Factory Settings on Web

Click Browse to select the profile, and then click the Import button. After importing the configuration file, restart the system to take effect.

Click Backup to export the currently applied configuration parameter file, and the exported file is in “.dat” format, with the default file name config.dat


7.3 Log and Diagnostic Records

Log in to the Web page, click on the "Status >> Log" menu in the navigation tree to enter the "system log" interface. Click the corresponding button to complete the log and diagnostic records download.

Fig. 7-3 Diagnostic Log Function



8. Description of panel indicator

8.1 Panel LED Indicator Description

Fig. 8-1 Led Indicator Description


Equipment LED Light Description Table:

Power( red)

Status( Green)

Cellular( Yellow)

Definition

Off

Off

Off

No Power

On

Off

Off

System Fault

On

On

Off

Module or SIM Card not identified

On

On

Flash

Dialing

On

On

On

Dialing Success

On

Flash

On

System Upgrade

On

Flash -> On

Off

Finalized Writing -> Finalized Writing

Note:

Signal

Red

Signal values 0~10

Yellow

Signal value 11~20

Green

Signal value 21~30

Wi-Fi( Green)

Not enabled

Off

AP

Flash

STA

Flash



Contact Us

Add: 3650 Concorde Pkwy, Suite 200, Chantilly, VA 20151, USA
T: +1 (703) 348-2988

    • Related Articles

    • Industrial Router IR305 Product Quick Guide

      Overview This manual is a guide for the installation and operation of IR305 routers from InHand Networks. Please confirm the product model and packaging accessories (power terminal, antenna), and purchase SIM cards from local network operators All ...
    • Industrial Router IR900 Product Quick Guide

      Overview This guide is intended for the installation and operation of IR900 series routers manufactured by InHand Networks. Before proceeding, please verify the product model and ensure that all included accessories (power adapter, antennas) are ...
    • Industrial Router IR315 Product Quick Guide

      Overview This manual is a guide for the installation and operation of IR315 routers from InHand Networks. Please confirm the product model and packaging accessories (power terminal, antenna), and purchase SIM cards from local network operators. All ...
    • Industrial Router IR615-S Product Quick Guide

      Overview This manual is a guide for the installation and operation of IR615-S routers from InHand Networks. Please confirm the product model and packaging accessories (power terminal, antenna), and purchase SIM cards from local network operators. All ...
    • Cellular Router IR302 Product Quick Guide

      Overview This manual is for the installation and operation of InRouter302 series routers of InHand Networks Company. InHand makes every effort to provide accurate information in this manual, but InHand does not guarantee that there is no error in the ...