Overview
This manual is a guide for the installation and operation of IR315 routers from InHand Networks. Please confirm the
product model and packaging accessories (power terminal, antenna), and purchase
SIM cards from local network operators.
All statements, information and recommendations in
this manual do not constitute any expressed or implied warranty.
1. Packing List
Each IR315 product includes common accessories,
please check carefully when you receive our products. If there is any missing
or damage, please contact InHand sales staff.
InHand can provide customers with optional
accessories according to a different field. Please refer to the list of optional
accessories for detailed information.
|
Common Accessories
|
Quantity
|
Description
|
|
IR315
|
1
|
Router
|
|
DIN-rail
|
1
|
For router mounting
|
|
Cellular antenna
|
1/2
|
Suction cup antenna (2m cable): 1pc (LQ20 series), 2pcs (other series)
|
|
Wi-Fi antenna
|
2
|
Suction cup antenna (2m cable)
|
|
Ethernet cable
|
1
|
1.5m ethernet cable
|
|
Power adaptor
|
1
|
12V DC Power Adapter
|
|
Optional Accessories
|
Quantity
|
Description
|
|
Panel mount kit option 1
|
1
|
Router
|
|
Panel mount kit option 2
|
1
|
For router mounting
|
Panel mount kit option 1 is shown in the figure below:
Panel mount kit option 2 is shown in the figure below:
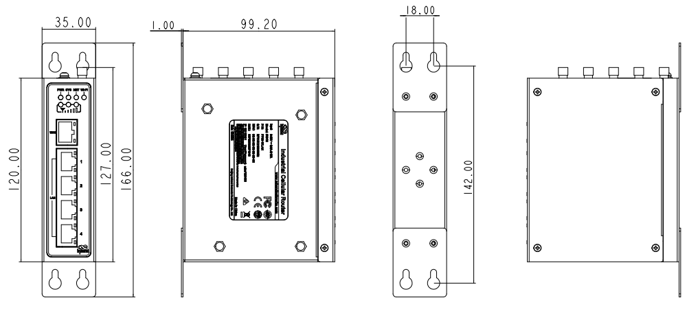
2. Panel Introduction
3. Installation
Precautions for installation:
- Power supply: 12V DC, please
pay attention to the power voltage level.
- Environment: Working temperature: -20℃~70℃, storage temperature: -40℃~85℃, relative humidity: 5%~95% (no frosting),
equipment surface may be high temperature, please consider the surrounding
environment before installation. The device should be installed in the
restricted area.
- Avoid direct sunlight, away
from heat sources or strong electromagnetic interference
- Check for cables and
connectors required for installation.
3.1 SIM Card Installation
IR315 supports dual nano SIM cards. Stick Stab the
hole on the left of the SIM card slot to eject it. Then insert a SIM card.
3.2 Antenna Installation
Rotate the metal interface clockwise until the movable part
cannot be rotated, do not hold the black glue stick to twist the antenna.
4. Access the Internet
IR315 supports
three ways of accessing to Internet: wired, cellular and Wi-Fi.
When IR315 does not access the Internet via cellular,
please disable Cellular in “Network > Cellular”, otherwise the device will
restart after trying to dial up and fail several times.
4.1 Wired Access
Step 1: Connect power and Ethernet cable to
IR315, connect WAN/LAN1 port to public network, and one of LAN to PC.
Step 2: Configure the PC to be in the same
network segment as the IP address of the router.
- Enable the
PC to obtain an IP address from DHCP automatically (recommended).
- Configure
a fixed IP address in the same network segment as the router for the PC. The IP
address should be one of the addresses in 192.168.2.2~192.168.2.254, the Subnet
mask should be 255.255.255.0, and the Default gateway should be 192.168.2.1. The
DNS server should be 8.8.8.8 or the address of the ISP’s DNS server.
Step 3: Access
the default IP address 192.168.2.1 in a browser, enter username and password
(please look at the nameplate at the bottom of the device for login credentials) in the pop-up window and then access to router’s WEB
management page. If the browser alarms the connection is not private, show
advanced, and proceed to access the address.
Step 4:
Create a WAN port in “Network >> WAN” in the left menu. Configure an IP
address for the WAN port and let the router connect to the Internet.
There are three methods to obtain an IP
address: Dynamic DHCP (recommend). Static IP (Click Apply & Save after
configure manually) and ADLS Dialup (Click Apply & Save after configure
manually).
Obtain IP address by Dynamic Address (DHCP)
Obtain IP
address by Static IP
Obtain IP address
by ADSL Dialup
Step 5: Check the connectivity in “Tools > PING”.
4.2 SIM Card Dial-up
Step 1: Insert the SIM card when the device
is powered off. Connect the 4G antenna to the router, and connect the PC to the
router. Then power on.
Note:
When inserting or plugging out the SIM card,
please unplug the power cable to prevent data loss or damage to the router.
Step 2: Open a browser and access to router’s
WEB management page. (refer to 4.1)
Step 3: Click “Network >> Cellular”,
and set your profile. The device enables the cellular by default, it will
connect to the Internet within a few minutes. If the device cannot connect to the
Internet, please disable and restart dialup. (If you use a private network SIM card,
you also need to configure the APN parameter)
Step 4: Check the dial-up status in the
'Status' section. If it displays 'Connected' and shows an IP address along with
other dial-up parameters, it means the router has successfully connected to the
Internet via the SIM card.
4.3 Wi-Fi to Internet
Step 1: Connect the Wi-Fi antenna, and
connect the PC to the device. Access to router’s WEB management page. (refer to
4.1)
Step 2: Set
Wi-Fi mode: AP or STA.
AP mode (default mode): IR315 acts as an access point to radiate wireless signals, and other
terminal devices can connect this device to access the Internet. It is necessary
to ensure that IR315 itself has been connected to the Internet through wired or
cellular. AP mode supports setting SSID name and encryption authentication
mode, and terminal devices will need to input a password when connecting.
STA mode: IR315
connects to other AP Wi-Fi devices to access the Internet.
- Select WLAN Type to STA in “Network>>Switch WLAN Mode” and save.
Then reboot the router.

Click “Scan” to scan available APs in “Network>>WLAN Client”, and click Connect to choose one of the APs. 
Configure Wi-Fi parameters and save. Then check the connection
status in “Status”.
Configure WAN mode in “Network>>WAN(STA)”, and set WAN parameters
for Wi-Fi.
5. Quick-Use Guidance
5.1 Restore to Factory Setting
5.1.1 Web Setting
Login to the WEB management page, and click on the
"System>> Config Management" menu in the navigation tree. Click
the "Restore default configuration" button, router will restore to
default settings after reboot.
5.1.2 Hardware Restore
To restore the device to default settings using the reset button, please follow these steps:
1: Power on the device and immediately press and hold the RESET botton until the SYS LED turns solid.
2: Release the RESET botton and wait for the SYS LED to turn off.
3: Press and hold the RESET button again until the SYS LED starts flashing, then release the botton. The device will now be restored to its default settings and will restart normally.
5.2 Import/Export Configuration
Click "System > Config Management",
click “Browse” in Router Configuration, select a configuration file, and click
Import to import the configuration file to the router.
Click Backup running-config to export configuration.
5.3 Log and Diagnose Record
Click "Status >> log" and check the system
log-in router. Click the Download Log File button to download the log from the router,
and click Download System Diagnosing Data to download the diagnose record from the
router.
Make sure that the router is
already connected to the Internet. Click "Service>>Device Manager"
to set the router to connect to DM. iot.inhand.com.cn is the server for China,
and iot.inhandnetworks.com is the server for global.
Fill in your DM account in
Registered Account then click "Apply" to save the configuration.
If you don’t have a DM account, please click "Sign
up/Sign in" After selecting the server, then you will be directed to the InHand
Device Manager website, please follow the instructions to register an account.
Login to your account in
Device Manager, and add your device in “Gateways”, name your device and fill in
the serial number from the device, then you can manage your router in DM.
You can find the serial
number in "Status>>System", or you can find it at the back of
the device.
6. Description of Indicators
|
IR315
LED
|
Status
|
|
PWR
|
Red
off --- Power off
Steady
in red --- Power on
|
|
SYS
|
Green
off --- System error
Flash in Green --- System Upgrading
Steady
in Green --- System working
|
|
Wi-Fi
|
Green
off --- Wi-Fi disable
Flash in Green --- Wi-Fi connecting
Steady
in Green --- Wi-Fi working
|
|
NET
|
Green
off --- Network disconnected
Flash in Green --- Network connecting
Steady
in Green --- Network connected
|
|
Signal
|
Three
green lights steady on --- Dial-up successful, signal strength ≥ 20.
Two
green lights steady on --- Dial-up successful, 19 ≥ signal strength ≥ 10.
One
green light steady on --- Dial-up successful, signal strength ≤ 9.
|